格力中央空调GMV Tops 别墅型家庭中央空调工程设计及安装
一、室内、外机制冷剂配管设计
1、室内、外机配管示意图

2、配管顺序示意图

3、连接管允许长度和落差
室内外机连接采用Y型分歧连接,连接方式见下图;
备注:一个Y型分歧管相当长度0.5m

L10:第分歧管至远室内机距离
L11:第分歧管至近室内机距离
室外分歧管的等效距离为0.5m,室内分歧管的等效距离为0.5m

注意事项:

3、如果室内机距离其近的分歧管长度大于10m时,内机液管径小于等于6.35mm的应加大一号。
4、室外机连接配管设计
4.1室外机至室内机第分歧管的配管尺寸,按室外机的接管尺寸选择。

4.2室内侧分歧管的选择
室内机间的分歧管选择根据下游内机总量的大小按下表选择适合的分歧管。

4.3室内侧分歧管间的配管尺寸
室内机间的分歧管间的配管尺寸决定于下游内机总量的大小。

4.4室内分歧管至室内机间的配管尺寸
室内机分歧管与室内机间配管尺寸保持与室内机配管尺寸一致。
二、制冷剂配管安装
1、安装连接管注意事项
焊接管路封帽前,必须先确认管路中有无冷媒,若直接烧焊,可能会造成不必要的财产损失和人员伤害。
1、管道连接遵循下列原则:连接管道超短越好,室内、外机组高度差越小越好,管道弯角数越小越好,弯曲半径尽可能大。
2、安装连接管时采用焊接方式,焊接时要严格按照工艺要求,不得有虚焊、假焊、沙眼等现象。
3、按预订路线铺设时,不得弄瘪管道,弯曲处,弯曲半径必须大于200mm,连接管不能经常被弯曲或拉伸,否则会变硬,一根管子同一处弯曲多不能超过3次。
4、室内机接管螺母的连接,请使用国矩扳手,如下图

1、将铜管扩口对准螺纹接头中心, 用手将扩口螺母充分旋紧。
2、用力矩扳手旋紧扩口螺母,直到力矩扳手发出“咔嗒”声。
3、用海绵将未保温的连接管和接头包住,并用塑料脐带包扎紧。
4、连接管应用支架支撑,不能将其重量转嫁给机组承受。
5、配管的弯曲度不能太小,否则配管可能破裂。安装人员在弯曲配管时,请用弯管器。
6、在连接室内机和连接管时,切勿用力拉扯室内机的大、小接头,以防室内机的毛细管或其他管拉裂,造成泄露。
2、Y型分歧管选型
1、Y型分歧管

2、Y型分歧管有不同管径的管段,可以方便地配合不同的管径的铜管,配管时选择合适管径的管段,用切管器在合适管径管段的中部切开,并去除毛刺,如下图所示
3、安装Y型分歧管必须使其分歧管竖向或水平。

4、分歧管保温,使用能经受120℃或更高温度的保温材料,不可使用分歧管自带的泡沫作为我保温材料。
三、追加制冷剂
工程配管制冷剂追加量计算方法
追加制冷剂量R=配管冷媒追加量A+外机冷媒追加量B
1、配管冷媒追加量A计算方法如下








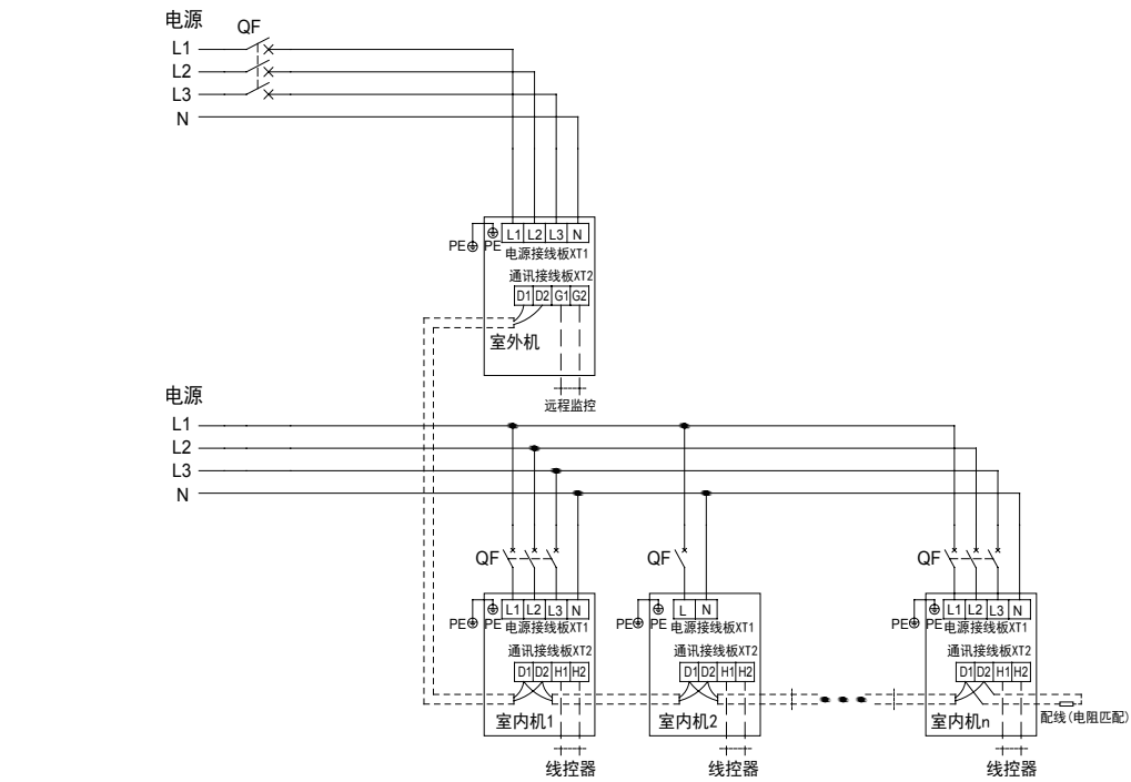
2.2.1 直流变频机组通信系统通讯示意图

2.2.2 线材选型推荐







注意:
1、通讯线与电源线必须分开走线,避免干扰
2、通讯线必须选择合适长度,不得驳接
3、内机必须采用串型连接,且后一台室内机必须接通讯匹配电阻(在室外机配件清单中提供)
(2)室内机与线控器之间的通讯连接方式
室内机与线控之间的连接方式有以下4种,分别如下图所示





2.4 集中控制机组的通讯连接方式
各单机系统之间的主控机通讯接线板上的 G1 和 G2 端口连接(如下图)。

需要对多台室内机集中控制时,各个多联机系统之间的主控机需要设置集中控制地址拨码SA2。各个系统主控机的SA2地址不能重复,且必须将其中一个主控机的地址设为”0000X“其余系统主控机按如下方法设置

1、拨码拨到ON端表示为0
2、拨码拨到与ON相反的一端表示为1
3、”X“表示无效
注意:
集中控制网络的总线始端和末端均要连接匹配电阻
一个集中控制网络中,多连接16个多联机系统
一个集中控制网络中,多连接255台室内机
如果其中一个多联机系统的主控机的集中控制地址拨码(SA2_Addr-CC)设为“1 1 1 1 X”时,该系统为主模式系统,以主模
式系统的运行模式为准,其它系统下的内机不能设置与主模式系统冲突的模式。
例如:主模式系统设置为制冷模式时,其它系统下的内机不能设置制热模式。

咨询热线: