格力CVP系列永磁同步变频离心式热泵机组
格力中央空调CVP离心机系列
一、产品概述
1.1产品定义
格力中央空调CVP系列永磁同步变频离心式热泵机组聚集了格力中央空调研发的新技术成果,拥有100%的自主知识产权, 机组采用高速永磁同步变频电机、全工况“宽频”气动设计、双级压缩等国际领先技术,制热性能COP高达6.08。
格力CVP系列永磁同步变频离心式热泵机组使用环保制冷剂R134a,能力范围为350RT~3000RT,可采用各种合适湿度的热源实现供冷与供暖,包括:地下水、江河水、土壤水、工业废热/水、电厂废热/水、城市污水/再生水等。机组具体突出的节能性、可靠性与适应性,可广泛用于大型办公楼宇、医院、学校、商场以及工艺流程,并可直接更换机组对现有空调系统进行节能改造。同时格力CVP永磁同步变频离心式热泵机组可替换锅炉采暖,避免锅炉燃烧过程中产生的排烟污染,提高空气质量。

















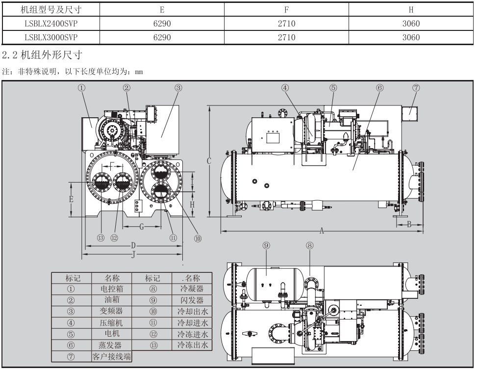
以上是武汉格力中央空调提供的格力离心机技术参数

咨询热线: